Langsung ke konten utama

[23+] Mercedes Benz Wiring Diagram 4x4, 28 2004 Ford F250 Fuse Panel Diagram - Wiring Database 2020

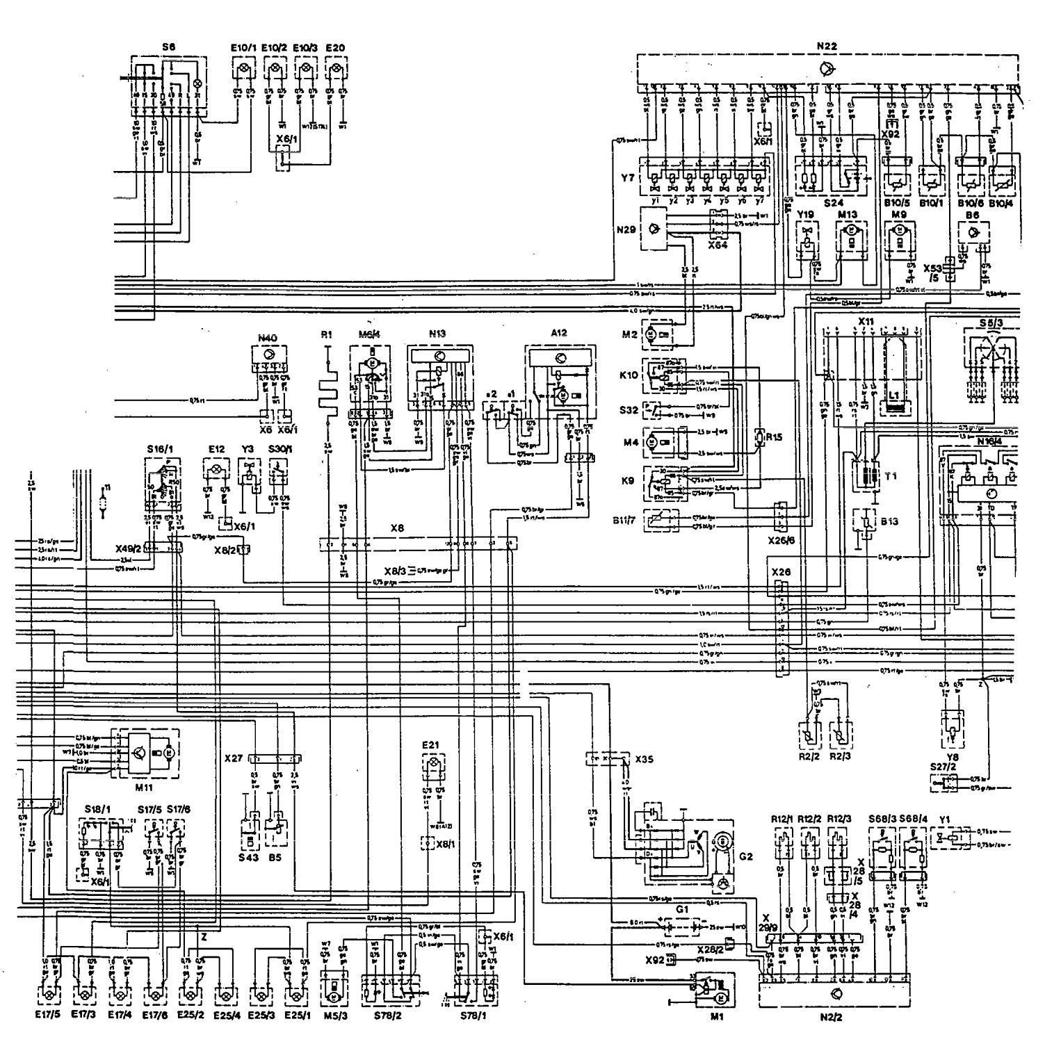
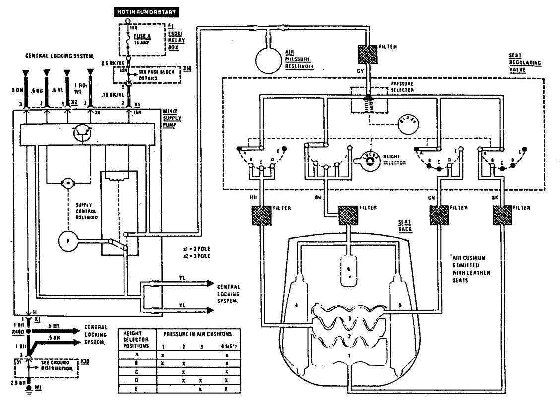
Mercedes Benz Wiring Diagram 4x4 Rear Diagram Axle Ford Mercedes Replacement Benz Class Repair F350 Bearing Wheel Replace W168 Rowe Bert Info

Mercedes diagram wiring benz 1996 please help e320 air searching fuse a140 class

Land rover freelander 2 service manual / repair manual, wiring diagram. Mercedes-benz 300e (1990. [tk_3456] transfer case wiring diagram get free image about wiring. 300te ignition mercede carknowledge

Wiring harness to Starter? - Mercedes-Benz Forum

Wiring harness to Starter? - Mercedes-Benz Forum

I have a 1974 mercedes benz.wont turn over or nothing.But if i touch

I have a 1974 mercedes benz.wont turn over or nothing.But if i touch

Mercedes W124 Starter Wiring Pictures | Wiring Collection

Mercedes W124 Starter Wiring Pictures | Wiring Collection

1973 Mercede 220 Wiring Diagram - Wiring Diagram Schemas

1973 Mercede 220 Wiring Diagram - Wiring Diagram Schemas

35 Traxxas Slash 4x4 Parts Diagram - Wiring Diagram Database

35 Traxxas Slash 4x4 Parts Diagram - Wiring Diagram Database

Komentar

Postingan populer dari blog ini

[21+] Mochila Porta Bebe Montana

[View 25+] Devinez Le Quiz De Puzzle Emoji

Get Images Library Photos and Pictures. Quizz Png 9 Images De Quizz Transparentes Png Gratuit Quel Est L Emoji Puzzle Quiz Pour Android Apk Telecharger Logo Test Francais Quiz Jeu Devinez La Marque 2 4 6 Apk Androidappsapk Co Guess The Song Emoji Emoji Quiz Game Applications Sur Google Play

[Download 42+] Antenne Requin Megane 3 Rs

Download Images Library Photos and Pictures. Renault Megane IV Berline Nouvelle TCE 160 EDC FAP R.S. LINE - 214552 - Starterre Mégane IV GT Line/cuir/antenne requin - megane3.fr ANTENNE REQUIN AVEC SOCLE ET AMPLIFICATEUR V2 RENAULT CLIO III 3 RS | eBay 2017 - [Renault] Megane IV R.S. - Page 22